服务热线

13023169219
网站导航
主营产品:

细节再现和与石膏的配伍性试验块

产品时间:2026-04-21 09:58

简要描述:

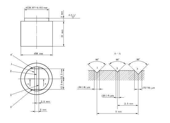
配伍性试验块、 细节再现和与石膏的配伍性试验块 执行标准: YY/T 0493-2022--图A.12细节再现和与石膏的配伍性试验块--配伍性试验块 模具用途; 验证印模材料在接触石膏时是否会发生不良...

详细介绍

配伍性试验块、细节再现和与石膏的配伍性试验块

 

执行标准:

YY/T 0493-2022--图 A.12 细节再现和与石膏的配伍性试验块--配伍性试验块

 

模具用途;

验证印模材料在接触石膏时是否会发生不良反应或表面缺陷,从而影响模型精度。

 

技术参数:

材质:不锈钢

计时器:0-999/s(自行设置)精度±1/s
选配:超声清洗,机恒温水浴,烘箱,显微镜

 

image.png 

 

 

配置清单

模具一套,

合格证一份,

铭牌一份。

 

款式一:

 

款式二:

 

 

 


产品咨询

留言框

  • 产品:

  • 留言内容:

  • 您的单位:

  • 您的姓名:

  • 联系电话:

  • 常用邮箱:

  • 详细地址:

推荐产品

Copyright © 2002-2020 山东赛锐特检测仪器有限公司 版权所有  备案号:鲁ICP备2020039165号

鲁公网安备 37170202666382号

地址:山东省菏泽市牡丹区南城街道太原路永泰大厦14018室 电话:13023169219 邮箱:2442648961@qq.com

关注我们

爱番番

服务热线

13023169219

扫一扫,关注我们