服务热线

13023169219
网站导航
主营产品:
技术文章
当前位置:山东赛锐特检测仪器有限公司 > 技术文章 >

细节再现器具-划线试验块 文章

时间:2026-04-08 17:30 点击次数:
 

细节再现工装-细节再现器具-划线试验块

 

符合标准:
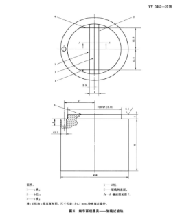
YY/T 0462-2018,7.7细节再现

 

介绍:

试验块:带如图6和图7中所示的划线,由硬化不锈钢材质(400VHN)制成。

环形模具:如图8所示。按GB/T131-2006,表面粗糙度为N5(Ra=0.4μm).

开口模具:如图9所示。按GB/T131-2006,表面粗糙度为N5(Ra=0.4μm).

 

image.pngimage.png 

image.png 

 

 image.png

 

Copyright © 2002-2020 山东赛锐特检测仪器有限公司 版权所有  备案号:鲁ICP备2020039165号

鲁公网安备 37170202666382号

地址:山东省菏泽市牡丹区南城街道太原路永泰大厦14018室 电话:13023169219 邮箱:2442648961@qq.com

关注我们

爱番番

服务热线

13023169219

扫一扫,关注我们